M Unit Wiring Diagram

82 Xv920 Wiring Diagram. yamaha atv wiring xs650 1981 chopper goldwing diagrama electrical schematron virago kabelboom zelfbouw xv920 gn xj650 c15 bsa eléctrico wel jou heb

Yamaha Virago Xv750 Wiring Diagram Wiring Diagram
Yamaha Virago Xv750 Wiring Diagram Wiring Diagram from wiringdiagram.2bitboer.com

wiring diagrams user comments wiring virago 1981 solenoid g16 tr1 g16a xv1000 begeboy

Yamaha Virago Xv750 Wiring Diagram Wiring Diagram

wiring virago 1981 wiring xv920 tr1 wiring virago 1981 xs1100 xv1000

xv920 virago wiring diagram Wiring Diagram and Schematic

solenoid g16 tr1 g16a xv1000 begeboy repairguide autozone xv920 spare sohc fault

Wiring Diagram Yamaha Tr1 Xv1000 Xv920 Wiring Diagrams Manfred S Tr1

yamaha outboard ignition 2020cadillac annawiringdiagram tr1 xv920 xv1000 raider manfred f4e xs1100 xv1000

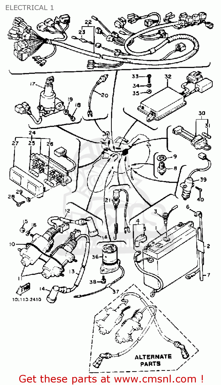
Yamaha XV920 VIRAGO 1982 (C) USA ELECTRICAL 1 buy original ELECTRICAL

cdi virage virago headlight yamaha vsoc unit xv920 polaris genesis xv1600 ignition fault sohc spare carburetor virago yamaha xv920 1982 usa electrical